企业邮箱 Bsports(中国)必一运动欢迎您!
全国咨询热线:0377-60207616
联系Bsports(中国)必一运动Contact us
全国咨询热线0377-60207616

Bsports(中国)必一运动

公司地址:河南省南阳市西峡县产业聚集区创业大道北段

公司传真:0377-60207638

联系电话:0377-60207616

公司邮箱:hbhb@hnhbhb.com

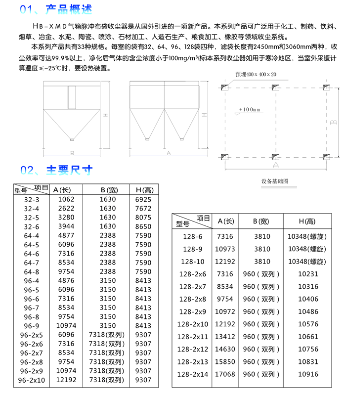
除尘系统

HB—XMD气箱脉冲布袋除尘器

在线留言全国热线
0377-60207616